元器件 100%国产化
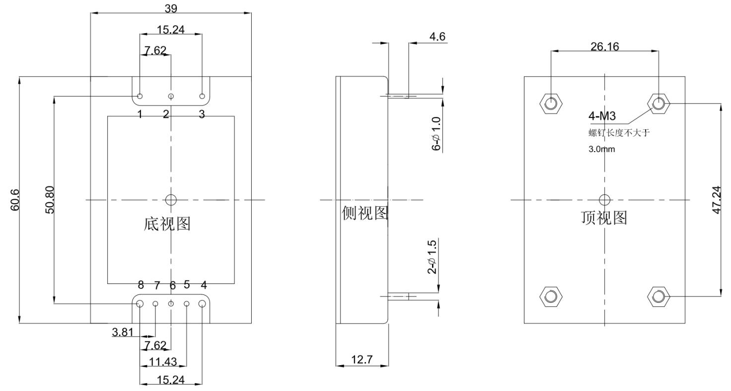
砖型尺寸:1/8砖
输入电压范围:34-75V
输出电压可调
保护特性:输入欠压保护,输出过流/短路/过压保护,过温保护

| 产品系列 | 封装尺寸 (mm) |
功率 (W) |
输入电压 | 输出电压 (Vdc) |
最大输出电流 (A) |
效率 (%) |
产品型号 | 规格书下载 |
|---|---|---|---|---|---|---|---|---|
| 全国产隔离DC-DC | 1/8砖 | 200 | 34-75 | 24 | 8.33 | 92 | VI200E48S24xNL-G | |
| 全国产隔离DC-DC | 1/8砖 | 200 | 34-75 | 28 | 7.14 | 93 | VI200E48S28xNL-G |