元器件 100%国产化
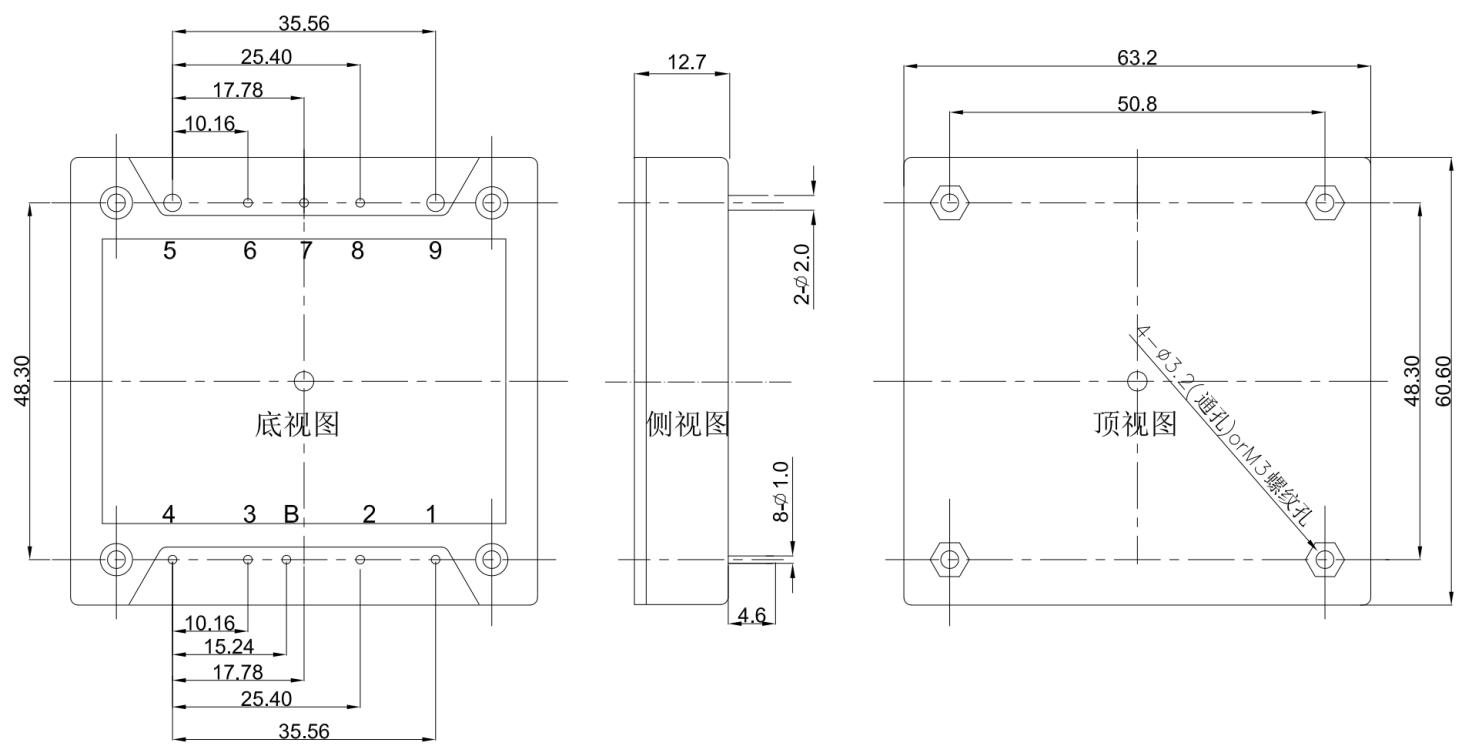
砖型尺寸:1/2砖
输入电压范围:180-425V
模块可并联均流
保护特性:输入过欠压保护,输出过流/短路/过压保护,过温保护

| 产品系列 | 封装尺寸 (mm) |
功率 (W) |
输入电压 | 输出电压 (Vdc) |
最大输出电流 (A) |
效率 (%) |
产品型号 | 规格书下载 |
|---|---|---|---|---|---|---|---|---|
| 全国产隔离DC-DC | 1/2砖 | 200 | 180-425 | 3.3 | 60.6 | 84 | VI200H270S3V3xNLB-G |