砖型尺寸:1/4砖
输入电压范围:9-36V
输出电压可调
输入欠压保护,输出过流/短路/过压保护,过温保护

注:
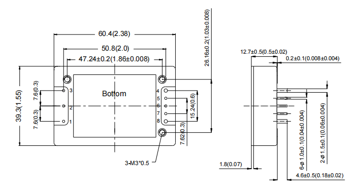
1)外壳材料:铝基板+黑色塑胶外壳
2)引脚 4、8 直径为1.5mm(0.06in)
3)其它引脚直径均为1.0mm(0.04in)
4)未注公差: x.x ±0.5mm(±0.02 in),x.xx ±0.25mm(±0.01in)
| 产品系列 | 封装尺寸 (mm) |
功率 (W) |
输入电压 | 输出电压 (Vdc) |
最大输出电流 (A) |
效率 (%) |
产品型号 | 规格书下载 |
|---|---|---|---|---|---|---|---|---|
| VI系列 | 1/4砖 | 200 | 9-36 | 3.3 | 60.6 | 89.5 | VI200Q24BS3V3TSPL | |
| VI系列 | 1/4砖 | 200 | 9-36 | 5 | 40 | 90 | VI200Q24BS5TSPL |