砖型尺寸:1/2砖
输入电压范围:36-75V
输出电压可调
输入欠压保护,输出过流/短路/过压保护,过温保护

注:
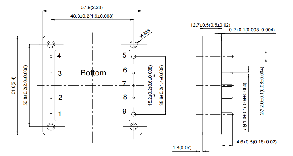
1)外壳材料: 铝板+塑胶外壳。
2)引脚 5、9 直径为 2.0mm(0.08in)。
3)其它引脚直径均为 1.0mm(0.04in)。
4)未注公差:x.x±0.5mm(±0.02 in),x.xx±0.25mm(±0.01in)
| 产品系列 | 封装尺寸 (mm) |
功率 (W) |
输入电压 | 输出电压 (Vdc) |
最大输出电流 (A) |
效率 (%) |
产品型号 | 规格书下载 |
|---|---|---|---|---|---|---|---|---|
| VI系列 | 1/2砖 | 504 | 36-75 | 24 | 21 | 94.5 | VI500H48S24TSPL | |
| VI系列 | 1/2砖 | 504 | 36-75 | 28 | 18 | 93.5 | VI500H48S28TSPL |